請問如何選擇赤道儀

Equipment (Mounts & Accessories) - 經緯儀、赤道儀,各類台架、導星設備、週邊器材等電子及機械附件

Re: 請問如何選擇赤道儀

文章

社長 » 2015-06-22, 19:57

有再出貨,要預約,因有時我們會全部人員出勤。

有需要時稍為遲過下午6時都可以,

http://www.astro.hk/pages/contact_us

我不一定在工作室,但有同事幫手。
兩個天文台 - 白鷺湖天文台、西藏自動化天文觀測站
主鏡 - Officina Stellare 500 口徑f3.8 RiFast攝星儀、APM/TMB 254 f9 APO、SkyWatcher Dob 18、305 f8.5 牛頓鏡、Paramount ME 赤道儀
配件 - 2 full sets of Supermonocentrics、Baader Mark V Binoviewer、Ethos、Canon 5D Mark II Mod、FLI Proline 16803冷凍相機、Mercedes SUV
星河科研社 http://www.astro.hk 電郵 saviofong@astro.hk
頭像
社長
Site Admin
 
文章: 12686
註冊時間: 2010-02-01, 14:17
來自: 香港

Re: 請問如何選擇赤道儀

文章SkyDragon » 2015-06-23, 10:12

太深啦,睇唔明,希望以后可以理解啦。

我也是 :D 。打算忙完工事後再硏究一下社長的話。

當然若用Geometrical drawing裡的Development方法去思考就很簡單,但那是高階一點的。


社長,多謝提醒Development方法,會試試。經過十多年捨理從文的我,有時連基本的東西也不懂了,數學變成只有加減乘除,你說的小三水平有時都沒有了。 :D 好在那些成績單是不會因此被大學拿回去,只是自己「面紅」一點吧!

以天文作為事業而且能夠做到獨當一面,箇中能耐和經過的困難不言而喻,衷心佩服。更感謝你花時間在極軸誤差這題目,對我是一種啓發,讓我能夠針對問題的核心去領畧多一些,感到很有興趣。不是說客氣話,能夠在高手的角度去判斷問題根本所在,這種機會並不常有。謝謝!

令我也想起那些年,有次物理系考試的前一天,去問教授幾個問題,是個曾在NASA工作的美國人,他好有態度斜著眼睛的說:「你是工程系那邊來的(有點看不起一些工程系的同學,加上我時常合著眼上他的課,以為我打瞌睡)?考試都到了,來問這些深層次的issues是不是有點不合適?除非你想在我手上拿A!」我當時確有點不知所措,既然是專程回校去向他求教,只好壯著膽子說:「拿什麼分數由你決定,我能否正確理解這些課題不在於明天終結的考試,而是在於往後自己腦袋裏的東西。」他聽了坐下來教了三個小時。之後我拿了個了A-,那是量子物理。全年的其餘七科全部A+。

當年我校物理課作為工程系必修科一同上課,工程系的物理試不合格率達四成,於是物理系要特別另設一科通俗版物理(括弧工程系),以免太多重讀以致阻礙畢業。(註:這是就外國這兒的情況,以事論事,並不是指香港;我明白很多地方的工程系是高手林立而人材輩出的!)由於我雖然是來自工程系卻獲特別安排下選修沒有括弧的物理,教授鼓勵下我從工程、物理雙學位過檔至物理系,從此我們也奕師奕友。這教授常說「I don't know....」,因為到了某個層面的學者,不知的比知道的更多,在人前人後已經沒有那種心理負擔了。這和我們中國人說的「知之為知之,不知為不知,是知也!」想法一樣。

所以,今天的我從商十餘年,也曾在商學院浸了幾年,弄到微積分也計不上來,腦子裏剩下半桶水也不夠的理科概念,是面對很多人感到慚愧的。

閒來看看星,玩玩天文,尋求另一點滿足就是了。偶然發覺不論走什麼的路,都仍然在那一樣的星空之下;每個人都由許多的「曾經」拼合而成為一生,在宇宙浩瀚間卻不自覺地各自走向相同的終點.....。我們愛好天文的很幸運,比其他人較多意識到星空的存在,能有緣在Astrocafe聚聚,談「天」也能說「地」,真感謝有這個空間!說多了一些「想當年」,是太「老餅」了一點吧! :lol:

小弟加入了Astrocafe兩年,是個「隱士」。幾乎天天在看,向大家學習,一直都只是「取」沒有盡本份參與交流;近日由於處理工作上的時間減省了,開始來寫一點分享,希望偶然做番個正正當當的Astrocafer。決定了參與就坦然有話直說沒太多考慮,也是基於對cafe一份兩年來莫名的歸屬感,只想做回自己。但如果是有高談闊論了或是表達方式高調了點,還請各位指正及原諒。重拾了兩年的天文,我懂的很多都是你們「教」出來的。 :D

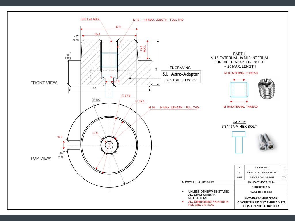
社長提到技術繪圖,手上製了一幅設計,是有點膽粗粗玩票式。是在買了Star Adventurer之後想找師父特製接環給EQ5三腳用,之後卻因澳洲成本太高(AUD400)而閣置,選擇了其他辦法。那時曾經想問問社長在大陸有沒有相熟的辦法,又或許異想天開一點的敲SkyWatcher的門著社長問他們是否有意生產....結果不好意思問就放在櫃桶底了。現在借個機會,拿出這個不太正式的繪圖,看看各位Astrocafers是否有點用途。不懂專用製圖軟件,用Microsoft Office畫的,勿見笑。(只作概念或要自行作些改動)

image.jpg
Star Adventurer/EQ5三腳接環概念草圖
image.jpg (143.36 KiB) 被瀏覽 44264 次
主鏡VC200L 200/1800(1278), ED81S 81/625(419); 導星Orion50/175, 80/400, STi mono; 台架AZEQ6; 相機Nikon D700 D810; 濾鏡IDAS LPS-P2, Astronomik CLS-CCD; 目鏡Baader Or4,6,10,18, 8-24zoom,Vixen8-24zoom, Nagler3-6zoom, Delos全套, Panoptic24, Nagler31; 天頂Everbrite1.25" 2"; 便㩗組合6"牛反f5 EQ5, Star Adventurer; 雙筒7x50, 16x80; 配件(有用、冇用的、若干);
軟件 EQMOD, Stellarium, PHD2, AstroTortilla, EOSNikon, 後期 Lightroom, Pixinsight.

玉宇無麈淨空濛,思縈縹緲中。星流媚眼,月展宮眉,河束鬢雲。
工勞農樸文浪漫,吾道妙群倫。鏡窺倩影,理探衷情,數計芳蹤。
-調寄「眼兒媚」 張玉哲 紫金山天文台台長
SkyDragon
 
文章: 245
註冊時間: 2013-11-06, 08:38

Re: 請問如何選擇赤道儀

文章mwtse » 2015-06-23, 19:44

repeated post
最後由 mwtse 於 2015-06-24, 08:50 編輯,總共編輯了 1 次。
mwtse
 
文章: 483
註冊時間: 2011-05-01, 20:09

Re: 請問如何選擇赤道儀

文章mwtse » 2015-06-23, 19:50

mwtse 寫:這個 55.8~57.8 taper 比較麻煩,其他部份用車床製作不算困難
mwtse
 
文章: 483
註冊時間: 2011-05-01, 20:09

Re: 請問如何選擇赤道儀

文章SkyDragon » 2015-06-23, 20:12

說的也是,其实垂直的55.8也可以了,那部分插進EQ5三腳的座,是靠中央鏍絲固定,只因為那個座的內壁不是垂直。那斜面是有點畫蛇添足,其實只要能確保直徑不過大,能插進應该就可以了。谢谢mwtse!
主鏡VC200L 200/1800(1278), ED81S 81/625(419); 導星Orion50/175, 80/400, STi mono; 台架AZEQ6; 相機Nikon D700 D810; 濾鏡IDAS LPS-P2, Astronomik CLS-CCD; 目鏡Baader Or4,6,10,18, 8-24zoom,Vixen8-24zoom, Nagler3-6zoom, Delos全套, Panoptic24, Nagler31; 天頂Everbrite1.25" 2"; 便㩗組合6"牛反f5 EQ5, Star Adventurer; 雙筒7x50, 16x80; 配件(有用、冇用的、若干);
軟件 EQMOD, Stellarium, PHD2, AstroTortilla, EOSNikon, 後期 Lightroom, Pixinsight.

玉宇無麈淨空濛,思縈縹緲中。星流媚眼,月展宮眉,河束鬢雲。
工勞農樸文浪漫,吾道妙群倫。鏡窺倩影,理探衷情,數計芳蹤。
-調寄「眼兒媚」 張玉哲 紫金山天文台台長
SkyDragon
 
文章: 245
註冊時間: 2013-11-06, 08:38

Re: 請問如何選擇赤道儀

文章mwtse » 2015-06-24, 09:05

對於設計還有兩點討論:

1. 印象中 Star Adventurer 的底部還有一個凹位作防止旋轉之用

2. 安裝的問題:你現在的設計似乎要先裝在 Star Adventurer 底部然後才裝在腳架上,是不是?我在思考有沒有可能倒轉,即先裝在腳架上(基本上不拆除)然後使用時才把 Star Adventurer 裝上。
mwtse
 
文章: 483
註冊時間: 2011-05-01, 20:09

Re: 請問如何選擇赤道儀

文章社長 » 2015-06-24, 10:07

我不在香港,沒實物在手,我較簡單的方法,是直接造一粒較接器,一面是3/8"短縲絲桿擰進Star-Adventurer低座,另一端是M10內縲孔,讓原本的HEQ5短三腳那根絲桿擰進去。

若是用你設計的這個轉接盤,或許乾脆鑽一個孔,一面攻8/3"縲紋然後擰一根縲桿(或叫機米?) 另一面攻M10縲紋讓原本的短三腳那根絲桿擰進去便可以?
兩個天文台 - 白鷺湖天文台、西藏自動化天文觀測站
主鏡 - Officina Stellare 500 口徑f3.8 RiFast攝星儀、APM/TMB 254 f9 APO、SkyWatcher Dob 18、305 f8.5 牛頓鏡、Paramount ME 赤道儀
配件 - 2 full sets of Supermonocentrics、Baader Mark V Binoviewer、Ethos、Canon 5D Mark II Mod、FLI Proline 16803冷凍相機、Mercedes SUV
星河科研社 http://www.astro.hk 電郵 saviofong@astro.hk
頭像
社長
Site Admin
 
文章: 12686
註冊時間: 2010-02-01, 14:17
來自: 香港

Re: 請問如何選擇赤道儀

文章社長 » 2015-06-24, 10:54

SkyDragon 寫:令我也想起那些年,有次物理系考試的前一天,去問教授幾個問題,是個曾在NASA工作的美國人,他好有態度斜著眼睛的說:「你是工程系那邊來的(有點看不起一些工程系的同學,加上我時常合著眼上他的課,以為我打瞌睡)?考試都到了,來問這些深層次的issues是不是有點不合適?除非你想在我手上拿A!」我當時確有點不知所措,既然是專程回校去向他求教,只好壯著膽子說:「拿什麼分數由你決定,我能否正確理解這些課題不在於明天終結的考試,而是在於往後自己腦袋裏的東西。」他聽了坐下來教了三個小時。之後我拿了個了A-,那是量子物理。全年的其餘七科全部A+。

當年我校物理課作為工程系必修科一同上課,工程系的物理試不合格率達四成,於是物理系要特別另設一科通俗版物理(括弧工程系),以免太多重讀以致阻礙畢業。(註:這是就外國這兒的情況,以事論事,並不是指香港;我明白很多地方的工程系是高手林立而人材輩出的!)由於我雖然是來自工程系卻獲特別安排下選修沒有括弧的物理,教授鼓勵下我從工程、物理雙學位過檔至物理系,從此我們也奕師奕友。這教授常說「I don't know....」,因為到了某個層面的學者,不知的比知道的更多,在人前人後已經沒有那種心理負擔了。這和我們中國人說的「知之為知之,不知為不知,是知也!」想法一樣。

所以,今天的我從商十餘年,也曾在商學院浸了幾年,弄到微積分也計不上來,腦子裏剩下半桶水也不夠的理科概念,是面對很多人感到慚愧的。

閒來看看星,玩玩天文,尋求另一點滿足就是了。偶然發覺不論走什麼的路,都仍然在那一樣的星空之下;每個人都由許多的「曾經」拼合而成為一生,在宇宙浩瀚間卻不自覺地各自走向相同的終點.....。我們愛好天文的很幸運,比其他人較多意識到星空的存在,能有緣在Astrocafe聚聚,談「天」也能說「地」,真感謝有這個空間!說多了一些「想當年」,是太「老餅」了一點吧! :lol:

小弟加入了Astrocafe兩年,是個「隱士」。幾乎天天在看,向大家學習,一直都只是「取」沒有盡本份參與交流;近日由於處理工作上的時間減省了,開始來寫一點分享,希望偶然做番個正正當當的Astrocafer。決定了參與就坦然有話直說沒太多考慮,也是基於對cafe一份兩年來莫名的歸屬感,只想做回自己。但如果是有高談闊論了或是表達方式高調了點,還請各位指正及原諒。重拾了兩年的天文,我懂的很多都是你們「教」出來的。 :D


我們中大電子工程系是高錕教授七十年代來香港設立的,我入讀時還在理學院下,但畢業時已是BEng了... 不,是BEng (Hons)。

大一時也要修物理,一個學期"教"了一本黃頁電話薄那麼厚的東西,然後大家悟出一個道理,教授是要我們記得這世界上有這些東西,要用的時候才真正去學。到今日我建天文台要涉及很多方面的技巧,往往也是邊學邊做。我相信書到用時方恨少,但又能擠些時間來學一點夠用便好。天文圈裡有另一個現象,有些人可以隨時細說地球上每個品牌不同型號哪個年代或批次的目鏡的規格造工設計改動或什麼的,Televue有這樣的粉絲,高橋更有一批業餘愛好者專家,但眼見這些人用的器材,可能就是一台七八公分折射或三四個目鏡。

我至今的個人觀測,找修工程的人教或補習物理,學生更容易應付考試拿好成積,但要啟發學生對科學興趣,則那老師本身最好是主修科學出身的。我的中學物理科老師,說在大一時花了一年時間理解F=ma的奧妙,那是一種追求。我在大學時終於有自己的電腦,是一台XT機,沒有硬盤的那種,但已足夠讓我花了兩三個月時間在圖書館看Astrophyiscs Journal尋找低價高效的望遠鏡方案,並用了很多時間跑Raytrace程式去模擬各種設計,我到今天電腦內仍有5米口徑Hale望遠鏡的修正鏡設計,不錯的 ;)

所以我今天看到一些玩天文以十年計的愛好者,仍說為何RC因為無彗差所以比其他卡反好,似乎仍活在菲林的年代....

Astrocafe上多些正面及圍繞天文的討論肯定是好的,對Astrocafers或其他看資料的愛好者都是好事,因為沒有一個討論區可以做所有的事,但不同的討論區自然有類近的愛好者聚在一起,幾個討論區總和自然會給予天文圈更完整的資訊。
兩個天文台 - 白鷺湖天文台、西藏自動化天文觀測站
主鏡 - Officina Stellare 500 口徑f3.8 RiFast攝星儀、APM/TMB 254 f9 APO、SkyWatcher Dob 18、305 f8.5 牛頓鏡、Paramount ME 赤道儀
配件 - 2 full sets of Supermonocentrics、Baader Mark V Binoviewer、Ethos、Canon 5D Mark II Mod、FLI Proline 16803冷凍相機、Mercedes SUV
星河科研社 http://www.astro.hk 電郵 saviofong@astro.hk
頭像
社長
Site Admin
 
文章: 12686
註冊時間: 2010-02-01, 14:17
來自: 香港

Re: 請問如何選擇赤道儀

文章SkyDragon » 2015-06-24, 11:14

Mwtse, 那防旋转的在Star Adventurer本機底部,仰角接座底部沒有。
是的,安裝是把接環先上在Star Adventurer。如你所想的先上在腳架,那社長的第一方案就是了。

社長的第一個方案,要削去EQ5腳架頭的小杆,所以沒採用,因為腳架還想用在EQ5赤道儀。
社長的第二個方案是最好的,上用3/8"grub screw連接star adventurer,下面把原本EQ5鏍絲直接上。我畫圖時沒有採用,因為當時找那3/8"grub screw有難度而改成這個論盡點的設計。
image.jpg
Grub screws例
image.jpg (7.66 KiB) 被瀏覽 44186 次
主鏡VC200L 200/1800(1278), ED81S 81/625(419); 導星Orion50/175, 80/400, STi mono; 台架AZEQ6; 相機Nikon D700 D810; 濾鏡IDAS LPS-P2, Astronomik CLS-CCD; 目鏡Baader Or4,6,10,18, 8-24zoom,Vixen8-24zoom, Nagler3-6zoom, Delos全套, Panoptic24, Nagler31; 天頂Everbrite1.25" 2"; 便㩗組合6"牛反f5 EQ5, Star Adventurer; 雙筒7x50, 16x80; 配件(有用、冇用的、若干);
軟件 EQMOD, Stellarium, PHD2, AstroTortilla, EOSNikon, 後期 Lightroom, Pixinsight.

玉宇無麈淨空濛,思縈縹緲中。星流媚眼,月展宮眉,河束鬢雲。
工勞農樸文浪漫,吾道妙群倫。鏡窺倩影,理探衷情,數計芳蹤。
-調寄「眼兒媚」 張玉哲 紫金山天文台台長
SkyDragon
 
文章: 245
註冊時間: 2013-11-06, 08:38

Re: 請問如何選擇赤道儀

文章SkyDragon » 2015-07-08, 13:56

我不太重視但並非任性,以肉眼評估,一般人都能把基座調至水平5度以內,以最壞情況計,即基座東西傾斜5度,那極軸誤差以一般小型赤道儀計有+/-5角分,而又同時是最壞的情況誤差出現在地平方位,那5角分調節只會造成不足0.3角分的仰角誤差。

(5x60x5)/(90x60) = 0.28角分

以極軸誤差2角分計,而拍攝天區又剛好是極軸誤差的時角的90度,即最壞的情況,那拍攝三分鐘的誤差是1角秒,即正常短焦器材是分辨不出來,也說明為何我不管那時盤,直接用極軸鏡的小圈對準極星便算。

(2x60x3)/(6x60) = 1角秒

以上是用小三的算術算出來的,說明很多人把對極軸這事複雜化了,甚至發表一套奇怪理論。


忙了一陣子終於有時間再硏究一下,求台架水平誤差對於極軸誤差的影響;社長的結論是對的,影響極少。唯獨是我計算結果有點出入,不知是否什麼地方出了錯,貼圖請教一下:
主鏡VC200L 200/1800(1278), ED81S 81/625(419); 導星Orion50/175, 80/400, STi mono; 台架AZEQ6; 相機Nikon D700 D810; 濾鏡IDAS LPS-P2, Astronomik CLS-CCD; 目鏡Baader Or4,6,10,18, 8-24zoom,Vixen8-24zoom, Nagler3-6zoom, Delos全套, Panoptic24, Nagler31; 天頂Everbrite1.25" 2"; 便㩗組合6"牛反f5 EQ5, Star Adventurer; 雙筒7x50, 16x80; 配件(有用、冇用的、若干);
軟件 EQMOD, Stellarium, PHD2, AstroTortilla, EOSNikon, 後期 Lightroom, Pixinsight.

玉宇無麈淨空濛,思縈縹緲中。星流媚眼,月展宮眉,河束鬢雲。
工勞農樸文浪漫,吾道妙群倫。鏡窺倩影,理探衷情,數計芳蹤。
-調寄「眼兒媚」 張玉哲 紫金山天文台台長
SkyDragon
 
文章: 245
註冊時間: 2013-11-06, 08:38

Re: 請問如何選擇赤道儀

文章SkyDragon » 2015-07-08, 14:13

續上...

以下首兩圖是以前繪畫以幫助自己了解飄移原理,結論是了解比強記好,能明白就能臨場應用,南北半球沒分別。
目鏡內的東北西南當然要先攪清楚(極方在哪)之後:
以東方升起的星調整高低
1.如極軸太高,星是向極方飄移;
以中天赤道附近的星調東西
2.如極軸太西,星也是向極方飄移。

圖三、四是台架東至西傾斜五度計算。
附加檔案
image.jpg
image.jpg (117.18 KiB) 被瀏覽 44144 次
image.jpg
image.jpg (108.67 KiB) 被瀏覽 44144 次
image.jpg
image.jpg (97.23 KiB) 被瀏覽 44144 次
image.jpg
image.jpg (76.4 KiB) 被瀏覽 44144 次
主鏡VC200L 200/1800(1278), ED81S 81/625(419); 導星Orion50/175, 80/400, STi mono; 台架AZEQ6; 相機Nikon D700 D810; 濾鏡IDAS LPS-P2, Astronomik CLS-CCD; 目鏡Baader Or4,6,10,18, 8-24zoom,Vixen8-24zoom, Nagler3-6zoom, Delos全套, Panoptic24, Nagler31; 天頂Everbrite1.25" 2"; 便㩗組合6"牛反f5 EQ5, Star Adventurer; 雙筒7x50, 16x80; 配件(有用、冇用的、若干);
軟件 EQMOD, Stellarium, PHD2, AstroTortilla, EOSNikon, 後期 Lightroom, Pixinsight.

玉宇無麈淨空濛,思縈縹緲中。星流媚眼,月展宮眉,河束鬢雲。
工勞農樸文浪漫,吾道妙群倫。鏡窺倩影,理探衷情,數計芳蹤。
-調寄「眼兒媚」 張玉哲 紫金山天文台台長
SkyDragon
 
文章: 245
註冊時間: 2013-11-06, 08:38

Re: 請問如何選擇赤道儀

文章社長 » 2015-07-08, 16:23

Deleted
兩個天文台 - 白鷺湖天文台、西藏自動化天文觀測站
主鏡 - Officina Stellare 500 口徑f3.8 RiFast攝星儀、APM/TMB 254 f9 APO、SkyWatcher Dob 18、305 f8.5 牛頓鏡、Paramount ME 赤道儀
配件 - 2 full sets of Supermonocentrics、Baader Mark V Binoviewer、Ethos、Canon 5D Mark II Mod、FLI Proline 16803冷凍相機、Mercedes SUV
星河科研社 http://www.astro.hk 電郵 saviofong@astro.hk
頭像
社長
Site Admin
 
文章: 12686
註冊時間: 2010-02-01, 14:17
來自: 香港

Re: 請問如何選擇赤道儀

文章SkyDragon » 2015-07-08, 16:46

你把球面三角幾何以平面去計,例如你的兩個算式中,θ用錯了吧?

e.g., 5' tan (5deg),應該是 5' (5 deg/90deg) 吧?


謝謝,讓我想想,是概念有問題。我完全沒有理會那球面,加入球面以為只是讓繪圖易看,星體全部是無限遠並不附在球面,所有長度在我計算中互相抵消了⋯天球的存在有需要考虑嗎?可能我有盲點,有趣!
最後由 SkyDragon 於 2015-07-08, 19:38 編輯,總共編輯了 1 次。
主鏡VC200L 200/1800(1278), ED81S 81/625(419); 導星Orion50/175, 80/400, STi mono; 台架AZEQ6; 相機Nikon D700 D810; 濾鏡IDAS LPS-P2, Astronomik CLS-CCD; 目鏡Baader Or4,6,10,18, 8-24zoom,Vixen8-24zoom, Nagler3-6zoom, Delos全套, Panoptic24, Nagler31; 天頂Everbrite1.25" 2"; 便㩗組合6"牛反f5 EQ5, Star Adventurer; 雙筒7x50, 16x80; 配件(有用、冇用的、若干);
軟件 EQMOD, Stellarium, PHD2, AstroTortilla, EOSNikon, 後期 Lightroom, Pixinsight.

玉宇無麈淨空濛,思縈縹緲中。星流媚眼,月展宮眉,河束鬢雲。
工勞農樸文浪漫,吾道妙群倫。鏡窺倩影,理探衷情,數計芳蹤。
-調寄「眼兒媚」 張玉哲 紫金山天文台台長
SkyDragon
 
文章: 245
註冊時間: 2013-11-06, 08:38

Re: 請問如何選擇赤道儀

文章社長 » 2015-07-08, 18:23

你的數字較準確。

我的數字,是以涉及的那部份(6個時區或90度),整段切面的development作一個三角形去運算,那條關鍵的曲線,是以一條直線作平均值,以避開Sin, Tan的運算。

這計算方法,基座仰角的方位跟極軸成90度或0度時誤差較大,若在兩者之間則相當接近(即曲線的tangent與那條直線相若)。

在野外拍星或西藏零下廿度調校儀器時,作量化評估加上實測校正時,真的不想用Sin, Tan了,但在Astrocafe上,理應用正確的方法去解釋,即你那條算式 (謝謝你的圖示)。

結論是,赤道儀基座是否水平,影響並不如很多人想像中那麼大。亦說明了為何我一直說,花不用半分鐘瞄一下極軸鏡置好北極星便可對好極軸,不必用什麼Apps,時角盤或什麼運算的。
兩個天文台 - 白鷺湖天文台、西藏自動化天文觀測站
主鏡 - Officina Stellare 500 口徑f3.8 RiFast攝星儀、APM/TMB 254 f9 APO、SkyWatcher Dob 18、305 f8.5 牛頓鏡、Paramount ME 赤道儀
配件 - 2 full sets of Supermonocentrics、Baader Mark V Binoviewer、Ethos、Canon 5D Mark II Mod、FLI Proline 16803冷凍相機、Mercedes SUV
星河科研社 http://www.astro.hk 電郵 saviofong@astro.hk
頭像
社長
Site Admin
 
文章: 12686
註冊時間: 2010-02-01, 14:17
來自: 香港

Re: 請問如何選擇赤道儀

文章SkyDragon » 2015-07-10, 09:40

結論是,赤道儀基座是否水平,影響並不如很多人想像中那麼大。亦說明了為何我一直說,花不用半分鐘瞄一下極軸鏡置好北極星便可對好極軸,不必用什麼Apps,時角盤或什麼運算的。

經過計算後,印證了你的經驗,其實你我兩個數值0.28 和0.44差別毫不重要,重要是能得知那誤差很少,而做出適當的處理。理論是有時間有興趣去探討,實際經驗始終是最直接最有用。謝謝!
如前述,我「玩」天文比「想」天文的時間少,花時間去思考也當是樂趣,但冇得玩有點無奈!

按照如此少的誤差,而不能用極軸鏡的前提下,飄移法就是兩星各做一次就大概對準極軸便算了,那兩星再來反覆精調似乎是矯枉過正了。這樣理解對嗎?

我會考的其中一科就是考會考,分兩部份即Mechanical drawing及Geometrical drawing,共考5小時,那年代每年有4000人考,全港只有1%即40人拿A,那批A的學生中有很大的比例是用左手的,我是其中一個

我常說,左撇子十個裏九個有點小天才,我可能是那第十個。 :lol:
十歳前是用兩手一起做功课的,现在只能用左手,但拿筷子則现在仍然左右手替用,可能是基於揾食始终比做功课重要,在汰弱留強的法则下退化了。
主鏡VC200L 200/1800(1278), ED81S 81/625(419); 導星Orion50/175, 80/400, STi mono; 台架AZEQ6; 相機Nikon D700 D810; 濾鏡IDAS LPS-P2, Astronomik CLS-CCD; 目鏡Baader Or4,6,10,18, 8-24zoom,Vixen8-24zoom, Nagler3-6zoom, Delos全套, Panoptic24, Nagler31; 天頂Everbrite1.25" 2"; 便㩗組合6"牛反f5 EQ5, Star Adventurer; 雙筒7x50, 16x80; 配件(有用、冇用的、若干);
軟件 EQMOD, Stellarium, PHD2, AstroTortilla, EOSNikon, 後期 Lightroom, Pixinsight.

玉宇無麈淨空濛,思縈縹緲中。星流媚眼,月展宮眉,河束鬢雲。
工勞農樸文浪漫,吾道妙群倫。鏡窺倩影,理探衷情,數計芳蹤。
-調寄「眼兒媚」 張玉哲 紫金山天文台台長
SkyDragon
 
文章: 245
註冊時間: 2013-11-06, 08:38

上一頁

回到 儀器 - 台架及附件

誰在線上

正在瀏覽這個版面的使用者:沒有註冊會員 和 15 位訪客

cron